浠ヤ笅鏄叧浜?0-10V 璋冨厜 1.2 綾?18w LED 鐏鐨勪竴浜涗俊鎭細
宸ヤ綔鍘熺悊
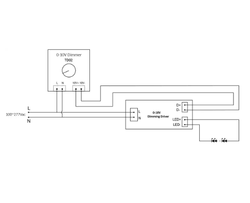
0-10V 璋冨厜緋葷粺涓昏鐢?0-10V 璋冨厜鎺у埗鍣ㄥ拰鍏鋒湁 0-10V 璋冨厜鎺ュ彛鐨?LED 椹卞姩鐢墊簮浠ュ強 LED 鐏緇勬垚銆傝皟鍏夋帶鍒跺櫒杈撳嚭 0-10V 鐨勬ā鎷熶俊鍙鳳紝LED 椹卞姩鐢墊簮鏍規嵁鎺ユ敹鍒扮殑 0-10V 淇″彿鏉ユ敼鍙樿緭鍑虹粰 LED 鐏鐨勭數嫻佸ぇ灝忥紝浠庤屽疄鐜板 LED 鐏浜害鐨勮皟鑺傘傚綋杈撳叆淇″彿涓?0V 鏃訛紝LED 鐏澶勪簬鏈浣庝寒搴︽垨鍏抽棴鐘舵侊紱褰撹緭鍏ヤ俊鍙蜂負 10V 鏃訛紝LED 鐏杈懼埌鏈澶т寒搴︺?
浜у搧浼樺娍
綺劇‘璋冨厜錛?-10V 璋冨厜淇″彿鑳藉瀹炵幇騫蟲粦銆佺簿紜殑浜害璋冭妭錛屽彲浠ユ牴鎹笉鍚岀殑鐜鍜岄渶姹傦紝綺懼噯鍦拌皟鏁村埌鎵闇鐨勪寒搴︼紝钀ラ犲嚭鑸掗傜殑鐓ф槑姘涘洿錛屾弧瓚沖悇縐嶅満鏅笅鐨勭収鏄庤姹?
鑺傝兘楂樻晥錛氶氳繃璋冭妭浜害錛屽彲浠ュ湪涓嶉渶瑕侀珮浜害鐓ф槑鏃墮檷浣庤兘鑰楋紝杈懼埌鑺傝兘鐨勭洰鐨勩傚挨鍏跺湪涓浜涘ぇ鍨嬪晢涓氬満鎵鎴栧叕鍏卞尯鍩燂紝濡傚晢鍦恒佸姙鍏ゼ銆佸仠杞﹀満絳夛紝閲囩敤 0-10V 璋冨厜鐨?LED 鐏鑳藉鏍規嵁涓嶅悓鏃墮棿孌電殑浜烘祦鍜岀収鏄庨渶姹傝繘琛屼寒搴﹁皟鑺傦紝鏈夋晥鑺傜害鑳芥簮錛岄檷浣庤繍钀ユ垚鏈?
鍏煎鎬уソ錛?-10V 璋冨厜鎶鏈槸涓縐嶈緝涓烘垚鐔熷拰閫氱敤鐨勮皟鍏夋柟寮忥紝甯傚満涓婃湁澶氱鍝佺墝鍜屽瀷鍙風殑 0-10V 璋冨厜鎺у埗鍣ㄥ拰 LED 椹卞姩鐢墊簮鍙緵閫夋嫨錛屽郊姝や箣闂寸殑鍏煎鎬ц緝濂斤紝鏂逛究鐢ㄦ埛鏍規嵁瀹為檯鎯呭喌榪涜鎼厤鍜屽崌綰х収鏄庣郴緇?
瀵垮懡寤墮暱錛氬湪浣庝寒搴︾姸鎬佷笅宸ヤ綔鏃訛紝LED 鐏鐨勫彂鐑噺鐩稿鍑忓皯錛岃繖鏈夊姪浜庨檷浣?LED 鑺墖鐨勬俯搴︼紝鍑忕紦鍏夎“錛屼粠鑰屽歡闀?LED 鐏鐨勪嬌鐢ㄥ鍛斤紝鍑忓皯鏇存崲鐏鐨勯鐜囧拰緇存姢鎴愭湰
0-10V 璋冨厜 1.2 綾?18w LED 鐏瑙勬牸鍙傛暟
浜?/span>鍝佸瀷鍙?/span> | 鍔熺巼 | 闀垮害(mm) | 鍏夋晥/w/lm | 鍗?/span>綆?/span>鏁伴噺 | 澶栫灝哄/CM |
(Model) | (Power) | Length(mm) | Light effect/w/lm | Pcs/ctn | Outerboxsize/cm |
銆0-10v璋冨厜led鐏 |
|
|
|
|
|
璋冨厜LED T8鐏 LT-T8-TG12024W | 24W | 1200 | 100 | 30 | 123*19*17 |
璋冨厜LED T8鐏(Aluminum plastic lamp tube) | 18W | 900 | 100 | 30 | 93*19*17 |
璋冨厜LEDT8鐏(Aluminum plastic temp tube) | 14W | 600 | 100 | 30 | 63*19*17 |
浠ヤ笅鏄父瑙佺殑 0-10V 璋冨厜鍣ㄨ鏍鹼細
杈撳叆鐢靛帇
甯歌鑼冨洿錛欰C85-265V銆丄C90V-240V 銆丏C12V-DC24V 絳夈傝皟鍏夊櫒錛岃緭鍏ョ數鍘嬩負 AC85-265V錛屽彲鐩存帴鎺ュ叆甯傜數錛涜?DimL1-10-240 鍨嬭皟鍏夐┍鍔ㄥ櫒鐨勮緭鍏ョ數鍘嬩負鐩存祦 12-24V.
杈撳嚭淇″彿
鏍囧噯鐨?0-10V 妯℃嫙淇″彿錛岀敤浜庢帶鍒朵笌涔嬪尮閰嶇殑 LED 椹卞姩鐢墊簮鎴栬皟鍏夌數瀛愭暣嫻佸櫒錛屼粠鑰岃皟鑺傜伅鍏蜂寒搴?
杈撳嚭璺暟
鏈夊崟閫氶亾鍜屽閫氶亾涔嬪垎銆傚父瑙佺殑鍗曢氶亾璋冨厜鍣ㄥ彲鎺у埗涓璺伅鍏鳳紱澶氶氶亾璋冨厜鍣ㄥ垯鍙悓鏃舵帶鍒跺璺伅鍏鳳紝甯歌鐨勬湁 3 璺? 璺? 璺?2 璺?8 璺?4 璺瓑.
鏈澶х數嫻?
涓鑸崟閫氶亾璋冨厜鍣ㄧ殑鏈澶х數嫻佸湪 5A-10A 宸﹀彸錛屽 ETH-8008U 鐨勫紑鍏蟲渶澶ф壙杞界數嫻佷負 5A錛岃?DimL1-10-240銆丯L-801-10A 絳夊崟閫氶亾璋冨厜椹卞姩鍣ㄧ殑鏈澶ч┍鍔ㄧ數嫻佸彲杈?10A.
杈撳嚭鍔熺巼
涓嶅悓鍨嬪彿鍜岀被鍨嬬殑璋冨厜鍣ㄨ緭鍑哄姛鐜囧樊寮傝緝澶с傚浜庢渶澶х數嫻佷負 10A 鐨勫崟閫氶亾璋冨厜鍣紝鍦?12V 渚涚數鏃惰緭鍑哄姛鐜囦竴鑸笉瓚呰繃 120W錛?4V 渚涚數鏃朵笉瓚呰繃 240W錛屽 DimL1-10-240銆丯L-801-10A 絳夛紱鑰屽儚 ETH-8008U 榪欐牱鐨勫ぇ鍔熺巼璋冨厜鍣紝鏈澶ц礋杞藉姛鐜囧彲杈?800W.
璋冨厜鑼冨洿
閫氬父涓?0%-100% 鏃犳瀬璋冨厜錛屽彲瀹炵幇騫蟲粦銆佽繛緇殑浜害璋冭妭錛屾弧瓚充笉鍚屽満鏅笅鐨勭収鏄庨渶姹傦紝濡?ETH-8008U 鐨勮皟鍏夎寖鍥翠負 0-100%錛屾棤棰戦棯.
鎺у埗鏂瑰紡
鎵嬪姩鏃嬮挳錛氶氳繃鏃嬭漿璋冨厜鍣ㄤ笂鐨勬棆閽潵鎵嬪姩璋冭妭 0-10V 妯℃嫙淇″彿錛屼粠鑰屾敼鍙樼伅鍏蜂寒搴︼紝鎿嶄綔綆鍗曠洿鎺ワ紝濡?ETH-8008U銆丅C-320-010-HV 絳変駭鍝侀兘鍏峰姝ゅ姛鑳?
綰㈠閬ユ帶錛氬彲浣跨敤綰㈠閬ユ帶鍣ㄥ湪涓瀹氳窛紱誨唴瀵硅皟鍏夊櫒榪涜榪滅▼鎺у埗錛屾柟渚垮湪涓嶅悓浣嶇疆璋冭妭鐏厜浜害錛岄仴鎺ц窛紱諱竴鑸湪 10 綾沖乏鍙籌紝濡傞仴鎺ц窛紱誨潎涓?10 綾?
澶栧艦灝哄涓庨噸閲?
澶栧艦灝哄鍜岄噸閲忓洜浜у搧鍨嬪彿鍜屽姛鑳借屽紓銆傚 璋冨厜鍣ㄧ殑澶栧艦灝哄涓?L111脳W46脳H66 (mm)錛岄噸閲?0.135kg錛汥imL1-10-240 鍨嬭皟鍏夐┍鍔ㄥ櫒鐨勫褰㈠昂瀵鎬負闀?165脳 瀹?39脳 楂?26 (姣背)錛岄噸閲?124 鍏?/span>
0-10V璋冨厜led鐏1.2綾?8w鎺ョ嚎鍥?/span>

閰嶇疆led鐏瑙勬牸鏈?/span>
T8led鐏錛岃皟鍏塗8涓浣撳寲led鐏錛岃皟鍏変竴浣撳寲T5led鐏
