娣卞湷閮庣壒縐戞妧0 - 10V 璋冨厜 LED 宸ョ熆鐏?/a>鏄竴縐嶉氳繃 0 - 10V 鐩存祦鐢靛帇淇″彿鏉ヨ皟鑺傜伅鍏蜂寒搴︾殑鐓ф槑璁懼錛屽湪宸ヤ笟鐓ф槑棰嗗煙搴旂敤杈冧負騫挎硾銆備互涓嬫槸鍏剁浉鍏充粙緇嶏細
綺劇‘璋冨厜錛氳兘澶熸牴鎹緭鍏ョ殑 0 - 10V 鐢靛帇淇″彿綺劇‘鍦拌皟鑺?LED 鍏夋簮鐨勪寒搴︼紝瀹炵幇浠?0% 鍒?100% 鐨勮繛緇皟鍏夛紝婊¤凍涓嶅悓鍦烘櫙涓嬬殑鐓ф槑浜害闇姹傘?/p>
鍏煎鎬у己錛? - 10V 璋冨厜淇″彿鏄竴縐嶈涓氭爣鍑嗙殑璋冨厜鎺ュ彛錛岃繖縐嶅伐鐭跨伅鍙互鏂逛究鍦頒笌鍚勭鍏鋒湁 0 - 10V 璋冨厜杈撳嚭鍔熻兘鐨勭収鏄庢帶鍒剁郴緇熸垨璋冨厜鍣ㄥ吋瀹癸紝濡傛櫤鑳界収鏄庢帶鍒剁郴緇熴佹ゼ瀹囪嚜鍔ㄥ寲緋葷粺絳夛紝渚夸簬瀹炵幇闆嗕腑鎺у埗鍜屾櫤鑳藉寲綆$悊銆?/p>
綰挎ц皟鍏夌壒鎬?/span>錛氬湪鏁翠釜璋冨厜鑼冨洿鍐咃紝鐏叿鐨勪寒搴︿笌杈撳叆鐢靛帇鍛堢嚎鎬у叧緋伙紝鑳藉鎻愪緵騫蟲粦銆佸潎鍖鐨勮皟鍏夋晥鏋滐紝閬垮厤浜嗚皟鍏夎繃紼嬩腑鍑虹幇闂儊鎴栦寒搴︾獊鍙樼殑鐜拌薄錛屼負鐢ㄦ埛鎻愪緵鑸掗傜殑瑙嗚浣撻獙銆?/p>
鑺傝兘鏁堟灉鏄捐憲錛氶氳繃綺劇‘璋冨厜錛屽彲浠ユ牴鎹疄闄呯収鏄庨渶姹傚疄鏃惰皟鏁寸伅鍏蜂寒搴︼紝閬垮厤浜嗕笉蹇呰鐨勮兘婧愭氮璐廣備緥濡傦紝鍦ㄧ櫧澶╄嚜鐒跺厜鍏呰凍鎴栬濺闂村唴閮ㄥ垎鍖哄煙鏃犱漢浣滀笟鏃訛紝鍙互闄嶄綆鐏叿浜害錛屼粠鑰岃揪鍒拌妭鑳界殑鐩殑銆?/p>
鍙潬鎬ч珮錛氶噰鐢ㄦ垚鐔熺殑 0 - 10V 璋冨厜鎶鏈拰楂樺搧璐ㄧ殑鐢靛瓙鍏冧歡錛岀伅鍏峰叿鏈夎緝楂樼殑紼沖畾鎬у拰鍙潬鎬э紝鑳藉鍦ㄩ暱鏃墮棿鐨勪嬌鐢ㄨ繃紼嬩腑淇濇寔鑹ソ鐨勮皟鍏夋ц兘錛屽噺灝戠淮鎶ゆ垚鏈拰鐏叿鏇存崲棰戠巼銆?/p>

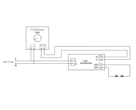
0 - 10V 璋冨厜 LED 宸ョ熆鐏富瑕佺敱 LED 鍏夋簮銆佹亽嫻侀┍鍔ㄧ數婧愩佽皟鍏夋帶鍒剁數璺瓑閮ㄥ垎緇勬垚銆傛亽嫻侀┍鍔ㄧ數婧愪負 LED 鍏夋簮鎻愪緵紼沖畾鐨勭洿嫻佺數嫻侊紝浠ヤ繚璇?LED 鐨勬甯稿伐浣滃拰瀵垮懡銆傝皟鍏夋帶鍒剁數璺垯璐熻矗鎺ユ敹澶栭儴鐨?0 - 10V 璋冨厜淇″彿錛屽茍鏍規嵁璇ヤ俊鍙鋒潵璋冭妭鎭掓祦椹卞姩鐢墊簮杈撳嚭鐨勭數嫻佸ぇ灝忥紝浠庤屽疄鐜板 LED 鍏夋簮浜害鐨勬帶鍒躲?/p>
褰撹緭鍏ョ殑 0 - 10V 鐢靛帇淇″彿涓?0V 鏃訛紝璋冨厜鎺у埗鐢佃礬浣挎亽嫻侀┍鍔ㄧ數婧愯緭鍑烘渶灝忕數嫻侊紝LED 鍏夋簮澶勪簬鏈浣庝寒搴︽垨鍏抽棴鐘舵侊紱褰撹緭鍏ョ數鍘嬩俊鍙烽愭笎鍗囬珮鍒?10V 鏃訛紝璋冨厜鎺у埗鐢佃礬鐩稿簲鍦板鍔犳亽嫻侀┍鍔ㄧ數婧愮殑杈撳嚭鐢墊祦錛孡ED 鍏夋簮鐨勪寒搴︿篃闅忎箣閫愭笎鍗囬珮錛岀洿鑷寵揪鍒版渶澶т寒搴︺傞氳繃榪欑鏂瑰紡錛屽疄鐜頒簡鐏叿浜害涓庤緭鍏ョ數鍘嬩俊鍙風殑綰挎ц皟鑺傘?/p>

宸ヤ笟鍘傛埧錛氬湪鏈烘鍔犲伐銆佺數瀛愬埗閫犵瓑宸ヤ笟鍘傛埧涓紝涓嶅悓鐨勭敓浜х幆鑺傚彲鑳藉鐓ф槑浜害鏈変笉鍚岀殑瑕佹眰銆? - 10V 璋冨厜 LED 宸ョ熆鐏彲浠ユ牴鎹敓浜ф祦紼嬪拰宸ヤ綔鍖哄煙鐨勫疄闄呴渶姹傦紝鐏墊椿璋冩暣鐓ф槑浜害錛屾彁楂樺伐浣滄晥鐜囷紝鍚屾椂鑺傜害鑳芥簮銆備緥濡傦紝鍦ㄧ簿瀵嗗姞宸ュ尯鍩熼渶瑕佽緝楂樼殑鐓ф槑浜害錛岃屽湪浠撳簱瀛樺偍鍖哄煙鍒欏彲浠ラ傚綋闄嶄綆浜害銆?/p>
鐗╂祦浠撳簱錛氱墿嫻佷粨搴撻氬父闈㈢Н杈冨ぇ錛岃揣鐗╃殑鍑哄叆搴撴搷浣滃湪涓嶅悓鏃墮棿孌靛拰涓嶅悓鍖哄煙榪涜銆備嬌鐢?0 - 10V 璋冨厜 LED 宸ョ熆鐏紝鍙互鏍規嵁浠撳簱鍐呯殑浜哄憳媧誨姩鎯呭喌鍜岃揣鐗╁瓨鍌ㄥ瘑搴︼紝瀹炴椂璋冩暣鐏叿浜害銆傚鍦ㄨ揣鐗╄鍗稿尯鍩燂紝褰撴湁杞﹁締榪涘嚭鍜屼漢鍛樹綔涓氭椂錛屽皢鐏叿浜害璋冭嚦杈冮珮姘村鉤錛涘湪鏃犱漢浣滀笟鐨勮揣鏋跺尯鍩燂紝鍒欓檷浣庝寒搴︼紝浠ヨ妭鐪佽兘婧愩?/p>
鍋滆濺鍦?/span>錛氭棤璁烘槸瀹ゅ唴鍋滆濺鍦鴻繕鏄澶栧仠杞﹀満錛岄兘鍙互閲囩敤 0 - 10V 璋冨厜 LED 宸ョ熆鐏傚湪鐧藉ぉ鎴栧仠杞﹀満鍐呰濺杈嗗拰浜哄憳杈冨皯鏃訛紝灝嗙伅鍏蜂寒搴﹁皟鑷寵緝浣庢按騫籌紱鍦ㄥ闂存垨杞﹁締榪涘嚭楂樺嘲鏈燂紝鎻愰珮鐏叿浜害錛岀‘淇濊杞﹀拰琛屼漢瀹夊叏銆傞氳繃涓庤濺杈嗘嫻嬬郴緇熸垨鏃墮棿鎺у埗瑁呯疆鐩哥粨鍚堬紝瀹炵幇鏅鴻兘鍖栫殑璋冨厜鎺у埗錛岃揪鍒拌妭鑳藉拰寤墮暱鐏叿瀵垮懡鐨勭洰鐨勩?/p>
鍟嗕笟寤虹瓚錛氬湪鍟嗗満銆佽秴甯傘佸啓瀛楁ゼ絳夊晢涓氬緩絳戠殑涓浜涘叕鍏卞尯鍩燂紝濡傝蛋寤娿佹ゼ姊棿絳夛紝涔熷彲浠ュ簲鐢?0 - 10V 璋冨厜 LED 宸ョ熆鐏傜粨鍚堜漢浣撴劅搴斾紶鎰熷櫒鎴栧厜鐓у害浼犳劅鍣紝鏍規嵁浜哄憳鐨勬椿鍔ㄦ儏鍐靛拰鐜鍏夌収搴﹁嚜鍔ㄨ皟鑺傜伅鍏蜂寒搴︼紝鎻愪緵鑸掗傜殑鐓ф槑鐜錛屽悓鏃墮檷浣庤兘鑰椼?/p>