锘?
鍙屾敮 T8 LED 鐏鍙堝彨鍙岀T8led鐏錛屾剰鎬濆氨鏄?鏀疶8led鐏銆?/p>
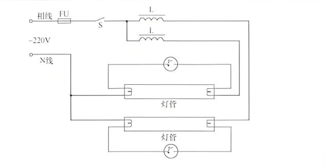
浠ヤ笅鏄弻鏀?T8 LED 鐏鍚婃潌瀹夎鏂規硶錛?/p>
瀹夎榪囩▼涓娑夊強鐢墊皵鎿嶄綔錛屽緩璁敱涓撲笟鐢靛伐榪涜錛屼互紜繚瀹夎瀹夊叏鍜岀數姘旀ц兘絎﹀悎瑕佹眰銆?/p>


鐗堟潈鎵鏈夛細娣卞湷甯傞儙鐗圭鎶鏈夐檺鍏徃 緗戠珯鍦板浘
鍦板潃錛氭繁鍦沖競瀹濆畨鍖虹姘稿垱涓氬煄宸ヤ笟鍥?23m.szsxjx.cn 鐢佃瘽錛?3823563848 澶囨鍙鳳細綺CP澶?024352335鍙?1
鍙嬫儏閾炬帴錛? 鐏叿瀹氬埗鍘傚 浠跨煶鐮栫敓浜у巶瀹?/a> 寤烘潗緗戜紒涓氬簱 閮庣壒鐏 鐏鍘傚 鐗涘緗?/a> 浜戞瘝甯?/a> 鏅鴻兘鐢佃〃 RBC杞存壙 閮庣壒縐戞妧瀹樼綉 濉戞枡鎵樼洏 娌堥槼鐢電嚎鐢電紗鍘?/a> 瀹犵墿鍖葷敓鍜ㄨ 甯稿窞閾濅笟 鐩寸嚎杞存壙 鎶栭煶騫垮憡鎶曟斁 鏆栨皵鐗囧巶瀹剁洿閿 娑堥槻杞?/a> 涓婃搗鍒嗙被淇℃伅 鏂囨湰瀵規瘮 娌沖崡閾濇澘 鐢墊満嫻嬭瘯緋葷粺 灝忚鍒涗笟緗?/a> 涓滆帪鐢典俊瀹藉甫 涔濊喀娓告垙緗?/a> 绔瓙宸ュ巶 璧氶挶鍚?/a> led tube 鏃犲眬閮ㄦ斁鐢佃愬帇璇曢獙瑁呯疆 鏁板瓧鍖栬漿鍨嬫枃妗d笅杞?/a> COB鍏夋簮 led宸ョ熆鐏?/a> 涔濇鐏叿緗?/a> 鐏グ鍔犵洘 娣卞湷甯傞儙鐗圭鎶鏈夐檺鍏徃 閮庣壒鐓ф槑